一种允许错误动作的继电保护-广东星空体育在线注册,星空体育(中国)
2022-09-13 星空体育在线注册,星空体育(中国)
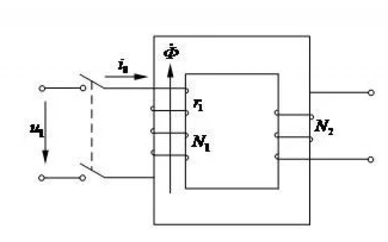
变压器励磁电流大小是否可以控制
2022-07-26 星空体育在线注册,星空体育(中国)电气